联系我们

嘉兴术叶贸易有限公司

地址 嘉兴市秀洲新区浙联金座1幢912室

电话0573-83591998    159 6835 0026

开户行 工行嘉兴高新支行

账号 1204064009888170666

税号 91330411344054678F


空分装置安全隐患一定要注意

您的当前位置: 首 页 >> 新闻资讯 >> 行业新闻

空分装置安全隐患一定要注意

发布日期:2019-07-21 14:33 来源:http://www.zjhhht.com 点击:

在我国越来越多的工业生产需要在特定的条件下进行,空气分离安全技术在现代的特殊产业中已经广为应用,比如在液化气中、医院制氧中、煤化工工业中等等,空气分离技术在这些产业中是一个非常重要的部分,是此部分产业正常运行发展的核心基础。

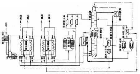
现代工业采用深冷分离法制取氧气。按其生产工艺中压缩空气的压力分为:高压流程、中压流程、双压流程及全低压流程4种。虽然各种流程采用的空气分离设备(制氧机)有所不同,但制氧过程大致包括6个阶段:(1)空气净化;(2)空气压缩;(3)压缩空气中二氧化碳和水蒸气的清除;(4)空气液化;(5)轻馏分离成氧和氮;(6)产品的储存和运输。

空气分离(全低压)流程图

装置中空气压缩机组、空气预冷系统、空气纯化系统,分馏塔冷箱系统、增压透平膨胀机组、氧气透平压缩机组、氮气透平机组等均为压力容器。如果压力超过设计允许值或压力表失灵,均存在着裂纹、破碎、爆炸的危险。

空气压缩机轴瓦、排气管道和设备等处是压缩过程中火灾、爆炸事故多发部位。主要原因是:①冷却水中断或供应量不足;②润滑油中断或供油量不足;③排气管道的积炭氧化自燃。其中积炭氧化自燃情况复杂,危险性又特别大,必须引起重视。

当压力高于2.94MPa的氧气直接与油指接触时,就会发生激烈的氧化反应,并放出大量的热,由于化学反应速度极快,因而很快就能达到油脂的燃点,从而使油脂迅速燃烧。如果燃烧发生在管道、容器中,会使其温度急剧升高,可以达到3000℃左右,压力可以增加10倍,势必造成爆炸。

极速体育触屏版西甲直播jrs低调看直播nba当空分装置发生氧气泄漏、或检修氧气罐时未置换或置换不彻底,作业环境达到富氧状态〔空气中氧含量超过21%(V/V)〕,遇火星或高温易发生火灾事故。富氧状态下的火灾事故常被人们所忽视。人们常常认为富氧状态又不是纯氧不会有什么问题。其实在富氧状态下许多难燃物质变得可燃,可燃物质变得易燃,最小点火能下降很多。燃烧速度快,不易扑救。富氧状态的火灾事故已发生多起,应引起人们的高度重视。

如2001年2月6日 ,甘肃某钢铁集团一球罐值班室内氧气管道泄漏,电气火花引起火灾,烧死3人;2001年8月9日,山东某锅炉压力容器检验所对某气体厂氧气储罐进行检测时,因未置换,罐内氧气含量高,打磨焊缝时引起火灾,烧死3人;2000年8月 21日,江西某钢铁公司制氧厂,检修制氧机时 ,因液氧排放不当,检修现场成富氧状态,在拆螺丝时发生燃爆事故,死亡22人,伤24人。

另外还要注意冷冻伤害,低温环境会引起冻伤、体温降低,严重时基至造成死亡。低温作业人员受低温环境影响,操作功能随温度的下降而明显下降。如手皮肤温度降到15.5℃时,操作功能开始受到影响;降到4~5℃时,几乎完全失去触觉的鉴别能力和知觉。

生产的液氧、液氮、液氩等产品,一旦由于输送这些产品的泵、阀门、管道及贮罐等设备密封不严,设备发生裂纹或破碎,将发生泄漏事件,喷洒到操作人员的身体上,由于它们的沸点非常低,加之汽化时要吸收大量的热量,所以会造成人体冷冻伤害。在处理盛有这些液体的管道、阀门或容器等时,必须带上保温手套,防止造成冻伤。

(来源:澎湃新闻,内蒙古化工等)


低调看直播nba_西甲直播jrs_极速体育触屏版,饱和聚酯,聚酯浆料,水性聚酯,硬挺树脂,硬挺剂,polyester,sizing,resin是我司主要生产的产品。

相关标签:低调看直播nba_西甲直播jrs_极速体育触屏版,饱和聚酯,聚酯浆料,水性聚酯,硬挺树脂,硬挺剂,polyester,sizing,resin